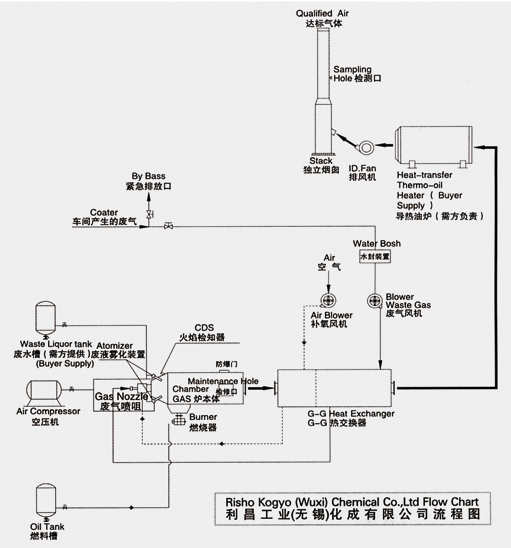
适合焚化物:Applications
1. 不可燃高浓度(BOD、COD)废水、废液、有机酸、有机碱等。
2. 可燃烧废液,废溶剂等。
特点:Characteristics
1. 雾化效果佳 采用第四代雾化装置,燃烧效果佳。
2. 无二次污染 低氮燃烧技术,无烟,无臭,无有害气体。
3. 安全性高 紫外线监测系统,警报系统完备,无爆炸之虑。
4. 故障率低 进口零件,双回路系统,品质佳,寿命长。
5. 废油、废液、废溶剂、有机废气同时处理效果佳、成本低。
1. Adopts the 4th generation atomizer system.
2. Low-nitrogen combustion technology, smokeless and odorless, without harmful gas.
3. Compelet ultraviolet radiation inspection system and alarm system.
4. Good-quality imported spare parts and double loop system.
5. Simultaneous processing of waste oil, waste liquid and waste solvent, waste gas.
-WO%E5%9E%8B%E7%B3%BB%E5%88%97%E5%BA%9F%E6%B6%B2%E7%82%89/%E4%B8%9C%E4%BA%9A%E5%BA%9F%E6%B6%B2%E7%82%89.jpg)
-WO%E5%9E%8B%E7%B3%BB%E5%88%97%E5%BA%9F%E6%B6%B2%E7%82%89/%E5%BA%9F%E6%B6%B2%E7%82%89%E8%BF%90%E8%A1%8C.jpg)
-WO%E5%9E%8B%E7%B3%BB%E5%88%97%E5%BA%9F%E6%B6%B2%E7%82%89/%E6%AD%A3%E5%92%8C%E5%BA%9F%E6%B6%B2%E7%82%89.jpg)
东亚废液炉 废液炉运行 正和废液炉
-WO%E5%9E%8B%E7%B3%BB%E5%88%97%E5%BA%9F%E6%B6%B2%E7%82%89/%E8%BF%AA%E7%88%B1%E7%94%9F%E5%BA%9F%E6%B6%B2%E5%BA%9F%E6%B0%94%E7%84%9A%E7%83%A7%E7%82%89.jpg)
迪爱生废液废气焚烧炉
工程案例:Engineering sample
主要技术参数:Specification
型号TYPE | HT-WO-10 | HT-W0-20 | HT-WO-30 | HT-WO-40 | HT-WO-50 | HT-WO-60 |
焚烧能力Capacity(kg/h) | 100 | 200 | 300 | 400 | 500 | 600 |
电源POWER(V) | 三相Three-phase Current 380V 50hz |